相关资讯
Related News- COP 达 3-5、节能超 60%!热泵技术为金属件清洗工艺降本增效提供关键路径
- 空气能热泵在汽车配件清洗恒温热水供应中的核心价值
- 节能黑科技:高温水源热泵如何重塑饮料无菌灌装生产线的能源效率
- 欧麦朗高温复叠热泵助力某电子股份有限公司PCB工艺热水
- 超声波清洗 + 空气能热泵恒温:双技术协同,让清洗效果稳、能耗省、寿命长
- 欧麦朗三期热泵烘干机项目将完工:赋能某资深工业品牌泰国工厂发泡模具生产
- 注塑车间高温不用愁?欧麦朗蒸发冷空调精准控温还省电
- 夏季养殖场鱼池高温 “烤” 验?空气能恒温热泵解锁全年温控新方案
- 高温热泵:点 “废” 成金的工业能源革命
- 某食品厂屠宰用空气能太阳能热水系统交付 绿色生产再添新动能
- 空气源热泵冷热双供系统在电镀车间的节能改造应用
- 光伏厂节能:热泵回收 PCW 回水余热 赋能制绒车间
联系我们
Contact Us
億彩
地址:新北区龙虎塘新区产业园区
电话:13706164559
手机:13706164559(微信同号)
QQ:2242597105
地址:新北区龙虎塘新区产业园区
电话:13706164559
手机:13706164559(微信同号)
QQ:2242597105
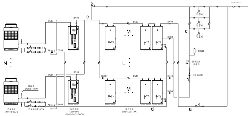
【闭式模块承压热水系统优势】欧麦朗为幼儿园热水提供恒温新体验
更新时间:2021-04-20 点击:786
億彩 恭喜欧麦朗温州宝龙广场幼儿园空气能闭式模块承压热水系统完工!此次选择闭式模块承压热水系统解决了传统热水存在售后维修频繁,保温差等难题,水温恒定,园内小朋友都非常喜欢。

闭式模块承压热水系统优势
1、综合能效高,要比开式系统机能30%左右。
2、冷热水压力同源,即水压稳定、舒适性更高。
億彩 3、和开式系统相比,省掉了补水电磁阀、变频增压泵和水位控制等复杂控制配件,降低系统故障率,延长使用寿命。
4、模块组合,灵活安装,可根据用户现场位置灵活摆放,满足不同用户需求。
5、闭式模块承压热水系统具有均匀承重,符合房屋荷载要求。
6、同时还是一种多能源配套系统,可根据能源状况来选择搭载太阳能、电锅炉和燃气锅炉等多种能源组合的热水系统。

億彩 经过这简单的介绍,决定一个产品的好与坏,还是产品质量本身和用户支持;如果你还在为热水达不到自己要求、忽冷忽热舒适性差,不妨选择欧麦朗热泵闭式承压热水系统。看似简单一小步,当你一脚踏入其中,即可体验不一样的 “感官”,提神生活品质,从这里开始!


小程序