相关资讯
Related News- 空气能热泵 + PLC 智能控制:破解天然气压差发电复热难题
- 欧麦朗高温热泵在汽车轮毂涂装前处理中的创新应用
- 高温热泵助力连续镀:从工艺适配到效益提升
- COP 达 3-5、节能超 60%!热泵技术为金属件清洗工艺降本增效提供关键路径
- 空气能热泵在汽车配件清洗恒温热水供应中的核心价值
- 节能黑科技:高温水源热泵如何重塑饮料无菌灌装生产线的能源效率
- 欧麦朗高温复叠热泵助力某电子股份有限公司PCB工艺热水
- 超声波清洗 + 空气能热泵恒温:双技术协同,让清洗效果稳、能耗省、寿命长
- 欧麦朗三期热泵烘干机项目将完工:赋能某资深工业品牌泰国工厂发泡模具生产
- 注塑车间高温不用愁?欧麦朗蒸发冷空调精准控温还省电
- 夏季养殖场鱼池高温 “烤” 验?空气能恒温热泵解锁全年温控新方案
- 高温热泵:点 “废” 成金的工业能源革命
联系我们
Contact Us
億彩
地址:新北区龙虎塘新区产业园区
电话:13706164559
手机:13706164559(微信同号)
QQ:2242597105
地址:新北区龙虎塘新区产业园区
电话:13706164559
手机:13706164559(微信同号)
QQ:2242597105
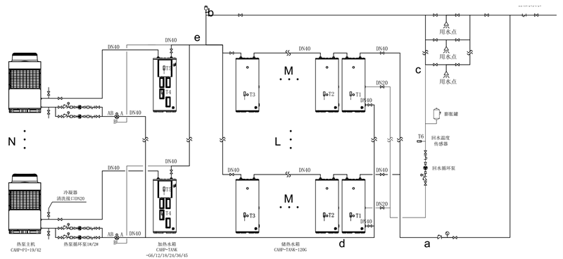
闭式小水箱空气能热水系统 舒适度更高 更稳定
更新时间:2020-09-11 点击:947
億彩 随着生活水平的逐步提高,热水需求的舒适性不断上升,空气能闭式系统正在慢慢普及。虽然初期的投资较常规热水高,但是其使用寿命长、舒适性好、运行稳定、应急措施完善。闭式系统正在受到越来越多的关注。
闭式系统与大气隔绝,水箱内胆及设备内部不易受到腐蚀,增加设备的使用寿命。该空气能热水器整套系统闭式运行,水泵的功率需求较小,整体的能耗降低,更更。闭式系统对楼面的负荷要求较小,可以满足不同的安装需求,安装灵活多变。闭式小水箱热水系统在设计时,在机器出现故障时的应急措施更加到位。在商用领域可以更加的受到青睐。防止因为机器故障造成的经济损失,减少服务行业各种担忧。闭式热水系统,在供水端优势更加明显,热水与冷水压力均衡,不易造成忽冷忽热,增强了用户的体验舒适度。欧麦朗闭式热水系统,用精确控温、应急供热、安装规范、系统稳定赢得更多的赞誉。

空气能闭式小水箱热水系统原理图



上一条信息:养老中心热水工程——太阳能+冷凝式商用燃气炉系统
下一条信息:空压机余热回收我们可以做吗?



小程序